欢迎来到米兰app站官方官网-米兰(中国)

您当前所在的位置:主页 > 产品中心 > 吊钩系列 >
HOOK SERIES
吊钩系列

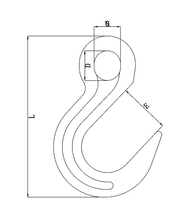
80级大开口钩

80级大开口钩

全国咨询热线:

更多联系方式
-产品详情- -产品参数-

产品参数

相关产品

创造客户价值 助力客户成功

米兰app站官方官网-米兰(中国)凭借着高新的技术、优异的品质及良好的服务赢得了客户点赞,在国内外众多企业大放异彩!

COPYRIGHT© 米兰app站官方官网-米兰(中国) ALL RIGHTS RESERVED